您现在所在的位置:首页 > 产品中心
DHG-A系列

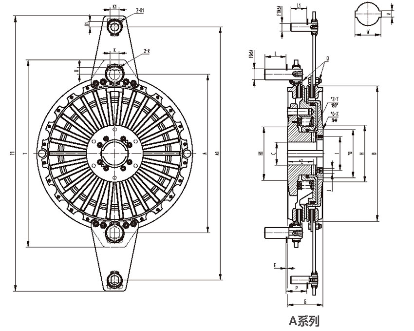
| 型号参数 | A | A1 | A2 | B | C(H7) min/max |
D |
| DHG304 | 364(390) | 490(560) | 325 | 304 | 50/60 | 352 |
| DHG380 | 445(495) | 635(710) | 408 | 380 | 60/75 | 437 |
| DHG470 | 550(610) | 790(850) | 500 | 470 | 70/90 | 535 |
| DHG500 | 575(645) | 830(885) | 536 | 497 | 80/100 | 570 |
| DHG550 | 640(695) | 885(1020) | 584 | 543 | 90/105 | 620 |
| DHG600 | 684(770) | 990(1170) | 640 | 593 | 100/120 | 680 |
| DHG675 | 775(880) | 1135(1300) | 725 | 675 | 120/140 | 775 |
| 型号参数 | E | F (K6) |
F1 (K6) |
F2 (K6) |
G | H |
| DHG304 | 2 | 22 | 16 | 15 | 83 | 135 |
| DHG380 | 3.5 | 30 | 22 | 18 | 100 | 160 |
| DHG470 | 3 | 40 | 30 | 25 | 125 | 195 |
| DHG500 | 2 | 40 | 30 | 25 | 140 | 210 |
| DHG550 | 4 | 40 | 30 | 25 | 145 | 215 |
| DHG600 | 4 | 45 | 45 | 30 | 155 | 238 |
| DHG675 | 2 | 55 | 45 | 35 | 185 | 266 |
| 型号参数 | H1 | I | J | K | K1 | L | L1 | L2 | M |
| DHG304 | 112 | 78 | 13.5 | 25 | 25 | 45 | 28 | 21 | 1 |
| DHG380 | 136 | 96 | 14 | 25 | 25 | 60 | 45 | 25 | 4.5 |
| DHG470 | 165 | 110 | 17 | 35 | 25 | 80 | 60 | 32 | 8 |
| DHG500 | 190 | 122 | 17 | 35 | 25 | 80 | 60 | 32 | 4 |
| DHG550 | 200 | 130 | 19 | 35 | 25 | 80 | 60 | 32 | 7 |
| DHG600 | 210 | 145 | 19 | 35 | 35 | 90 | 80 | 40 | 2 |
| DHG675 | 230 | 170 | 23.5 | 45 | 35 | 110 | 90 | 40 | 3 |
| 型号参数 | M1 | N | N1 | *O | P | Q | R | R1 | S |
| DHG304 | 14 | 3 | 11 | 112 | 43 | M8 | 5.5 | 5.5 | M8 |
| DHG380 | 13 | 3 | 14 | 136 | 58 | M10 | 5.5 | 5.5 | M10 |
| DHG470 | 17 | 4 | 22 | 160 | 72 | M12 | 6.5 | 5.5 | M14 |
| DHG500 | 21 | 4 | 27 | 170 | 73 | M12 | 6.5 | 5.5 | M14 |
| DHG550 | 31 | 4 | 20 | 180 | 80 | M12 | 6.5 | 5.5 | M14 |
| DHG600 | 23 | 4 | 17 | 200 | 84 | M16 | 6.5 | 6.5 | M16 |
| DHG675 | 36 | 5 | 31 | 230 | 95 | M16 | 8.5 | 6.5 | M20 |
| 型号参数 | T | T1 | U | U1 | *X | *Y | *Z |
| DHG304 | 418(444) | 535(605) | 15.5 | 13 | 9 | 10 | 61 |
| DHG380 | 526(576) | 698(773) | 19.5 | 15.5 | 10 | 12 | 73 |
| DHG470 | 648(708) | 878(938) | 26.5 | 19.5 | 12 | 15 | 93 |
| DHG500 | 673(743) | 910(965) | 26.5 | 19.5 | 12 | 18 | 103 |
| DHG550 | 740(795) | 965(1100) | 26.5 | 19.5 | 12 | 18 | 108.5 |
| DHG600 | 796(882) | 1088(1268) | 29 | 29 | 13 | 18 | 113 |
| DHG675 | 903(1008) | 1247(1412) | 38 | 29 | 15 | 23 | 132 |
加入收藏